首页 > 3D论坛 > 工业设计 > 转载一位同学的CAD学习笔记,初学CAD的人可以看看(一)

转载一位同学的CAD学习笔记,初学CAD的人可以看看(一)

作者 正文
e*****2
发表时间:2015-07-02 11:24:56

  网上找到的一份CAD学习笔记,每张图虽然没有讲详细绘图步骤,但将审图思路、绘图基本步骤和重点难点给列出来了,我觉得对初学者会有帮助,在此分享一下,前面几张图加上了我的注解。


第一部分


1-1    图 :

768f3f57gd4f307e6e8cd&690.jpg

  审图:本题主要是用相对坐标画图,各点的坐标都可以计算出来。


  绘图步骤:先建立两个图层,一个绘图,一个作为尺寸标注。绘图时,从原点(0,0)开始画外框,从点(14,8)开始画内框,主要使用Line并且打开正交模式依次画出各个线段即可。接下来按原图进行尺寸标注。


  重点难点:确定内框起点坐标、正交模式。


  注解:作为初学者最好能掌握相对坐标的输入方法,如果要提高绘图速度,只需要打开正交或极轴,然后将光标定位为水平或竖直方向,然后输入直线的长度值就可以了。


1-2   图:

768f3f57gd4f30a86aa7d&690.jpg


  审图:本题使用相对坐标画图,需建立两个图层分别是绘图、尺寸标注图层;利用正交模式画水平线竖直线和利用极坐标追踪模式画斜线。


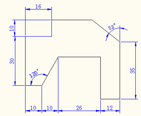
  绘图步骤:先建立两个图层,一个绘图,一个尺寸标注。绘图时,从原点(0,0)开始画,主要使用Line、正交模式和极轴追踪模式,按照计算出各个点的坐标依次画出各段线段,画60°斜线时使用已知长度角度绘直线,142°斜线可由上端线开始绘制,最后完成绘图并进行尺寸标注。


  重点难点:正交模式和极坐标追踪模式的使用、两斜直线的画法、角度的尺寸标注。


  注解:如果掌握了极坐标的输入方式,@长度<角度的输入模式,也可以不用极轴,60度倒还可以将极轴角设置成30度,(52+90)=142度肯定没法用极轴了。


1-3   图:


768f3f57gd4f30b400629&690.jpg


  审图:本题使用相对坐标画图,需建立两个图层分别是绘图、尺寸标注图层;计算各点的相对坐标,利用正交模式画出各段线段,内外框分别画出


  绘图步骤:先建立两个图层分别是绘图、尺寸标注图层;外框从两个方向(上、右)利用正交模式画,内框从点(10,6)开始,利用正交模式和相关线段尺寸画出;最后按照原图进行尺寸标注。


  重点难点:利用正交模式、内框的左下点坐标、尺寸标注的连续标注。


  注解:这张绘图应该没什么问题,主要目的应该是让大家了解图层的概念。


1-4    图:


768f3f57gd4f30c88218a&690.jpg

  审图:本题使用相对坐标画图,需建立两个图层分别是绘图、尺寸标注图层;计算各段线段的长度,水平、竖直线用正交模式画,斜线用极轴追踪模式并且在已知角度和长度的情况下绘出;内外框分别作图。


  绘图步骤:先建立两个图层分别是绘图、尺寸标注图层;外框从点(0,0)开始,分别沿上、右两个方向画各线段,至于斜线段可使用极坐标追踪模式在已知角度和长度的情况下画出;内框从点(11,10)开始,上端线先画一条水平长点的直线,画相应斜线与其相交,再修剪即可;最后进行尺寸标注。


  重点难点:各段线段的计算、斜直线的绘画(特别是由两条未知长度的直线相交时)、尺寸标注、角度标注。

1-5    图:


768f3f57gd4f30d58f485&690.jpg


  审图:需建立两个图层分别是绘图、尺寸标注图层,本题使用RECTANG命令绘制圆角矩形框,计算里框中三个矩形框的各坐标,


  绘图步骤:建立两个图层分别是绘图、尺寸标注图层,使用RECTANG命令和相关坐标绘制圆角矩形框,分别用两点坐标法画三个矩形框,剪切多余的线段;进行尺寸标注。


  重点难点:圆角矩形框画法、剪切多余线段、内框三个矩形每两个坐标的计算。



第二部分

2-1  图:

690.jpg

  审图:此图包括外框、里面的一个圆、一个正六边形、一个矩形框、一个多线段框,每个部分都可以计算其坐标和相应尺寸;图层有三个,分别为绘图、尺寸标注、辅助线图层。


  绘图步骤:建立三个图层,分别为绘图、尺寸标注、辅助线图层,使用line的正交模式、极轴追踪模式和相应尺寸完成外框;分别确定圆、正六边形的圆心和中心;确定内矩形框的两点坐标,内多线段框绘图起点坐标(49,-2)完成绘图;最后进行尺寸标注。


  重点难点:圆、正六边形的圆心和中心的定位、各坐标的计算。


2-2  图:

691.jpg

  审图:需要三个图层,分别为绘图、尺寸标注、辅助线图层图层;此图为左右对称图形课通过镜像命令画图,先画左半外框和里面的四个圆即可


  绘图步骤:建立三个图层,分别为绘图、尺寸标注、辅助线图层,计算各点坐标和各段线段尺寸各圆的圆心坐标,利用line和相关尺寸定位画左半外框,利用c和各圆半径画四个圆,镜像到右边完成画图;最后进行尺寸标注。


  重点难点:各坐标、尺寸长的计算、圆心的确定、两斜线的画法、镜像的使用。


2-3  图:

&690.jpg


  审图:需要三个图层,分别为绘图、尺寸标注、辅助线图层图层;此图包括左右两个部分,左边的外框和里面的两个圆都可完成,右边的图形是在左边图形基础上通过偏移相关线条完成。


  绘图步骤:建立三个图层,分别为绘图、尺寸标注、辅助线图层,由点(14,0)开始依次画出各个外框线段,计算两圆的圆心坐标画圆;把左边的图通过复制再通过偏移相关线条和修剪多余线条完成绘图;最后进行尺寸标注。


  重点难点:两段斜线的画法、复制命令的使用、偏移命令的使用。


发表评论